Digital Twin

Digital Twin – History & background


Digital Twin has its roots in the aerospace industry, and with the advent of the various enabling technologies like connectivity, cloud computing, data analytics, artificial intelligence (AI), internet of things (IoT), it is expected to transform many other industries.It can be an excellent tool for industries and companies to increase their competitiveness, branding & serviceability, profitability, productivity and overall efficiency. Digital Twin has the ability to link physical and digital worlds in real time, which gives a realistic and comprehensive measurement of unforeseen and unpredictable behaviors or situations, while the product is functioning.

Though this Digital Twin was coined in as early as 2002, because of the unavailability or limitations of the enabling technologies, such as low computing power, low or no connectivity of devices with the internet, data storage and management issue, underdeveloped machine algorithms, etc., Digital Twin had no practical or industrial applications at that time. The enabling technologies today, such as higher computing power, affordable sensors & Internet of Things (IoT), well developed machine learning algorithms, advanced embedded & electronics etc, have made the Digital Twin a reality.

Digital Twin is not to be mistaken as a computer model (CAD/CAE) or a simulation. Some organizations use the term ‘Digital Twin’ referring to a 3D model, but a 3D model is only a part of the Digital Twin.

Digital Twin uses data to reflect the real world at any given point of time and hence can be used for observing and understanding the current state & the performance of the system for its predictive maintenance. Computer models and Simulation, just like Digital Twin, are also used for the generic understanding of a system or for making generalized predictions, but they are not used for accurately representing the status of a system in real time. Real time status is missing in these computer models, which makes these models or simulations more of a static state, which means that they do not change with respect to time or cannot make new predictions unless new information is provided to them as inputs. Also, just being real-time is not sufficient for Digital Twin to operate - the data also need to flow automatically from Physical Twin to Digital Twin and from Digital Twin to Physical Twin, which means a bidirectional flow of data from physical to digital and from digital to physical.

“A Digital Twin is a dynamic and self-evolving digital/virtual model or simulation of a real-life subject or object (part, machine, process, human, etc.) representing the exact state of its physical twin at any given point of time via exchanging the real-time data as well as keeping the historical data. It is not just the Digital Twin which mimics its physical twin but any changes in the Digital Twin are mimicked by the physical twin too.” [courtesy: applied system innovation]

According to Juniper Research, by 2021, the global Digital Twin market is expected to be USD 12.7 billion. Further, the global market of Digital Twin is growing exponentially and in just six years, i.e., by 2026, it is expected to reach USD 48.2 billion. [courtesy: Juniper Research & Markets and Markets]

What is a Digital Twin?

A Digital Twin is a digital representation of a physical asset (or a process) with real time, data driven and physics informed comprehensive model, updated even during the operation & functioning.

Digital representation of a physical asset with
- upto date/real time &
-data driven, enhanced with physics based model


Comprehensive Model of System



Updated even during Operations



Grieves, M., & Vickers, J. (2017). Digital twin: Mitigating unpredictable, undesirable emergent behavior in complex systems. In Transdisciplinary perspectives on complex systems (pp. 85-113). Springer, Cham.

Building Blocks of Digital Twin(or Enabling Technologies)


  • Internet of Things (IOT) / Industrial Internet of Things (IIOT)
    •            -Enables fast, real-time and cheap communication
  • Sensors
    •            Low cost
  • Machine Learning
    •            Accurate and Efficient Models of System Behavior
  • Big Data
    •            For developing accurate models, keeping track of the history of the product etc.
  • Computing Resources
    •            1)Edge Computing        2) Cloud Computing



How does a digital twin work?

The creation of digital twin starts from specialists, mostly experts in data science or applied mathematics. These developers understand the physics that govern the real or physical equipment being imitated and use that data to develop a mathematical model or functional model that simulates the real-world phenomenon in the digital environment.

The Digital Twin is constructed so that it can receive the input from the sensors collecting data from a real-world physical object. This makes the twin to simulate the physical object in real time, in the process providing more insights into performance and potential problems. Digital Twin can help improve some of the parameters using various numerical analysis & approaches, to reach to a few of the best performance indicators or behaviors, which can further be sent to real world using various edge computing and embedded electronics technologies. The Digital Twin could also be designed based on a prototype of its physical counterpart, in which case the Digital Twin can provide feedback as the product is refined; a Digital Twin, also known as “single source of truth” could even act as a virtual prototype itself before any physical version is built.

Overall help provide Smart, Safe and Better Product & Services to the customers and delightful user experience.

Business Benefits of Digital Twin


Advantages of Digital Twin

The main reason Digital Twin technology is seen as the foundation of Industry 4.0 is because of its abundance of advantages, including the reduction of errors, uncertainties, inefficiencies, and expenses in any system, product or process. It also removes all the silos in the process that otherwise function in isolation within the departments or divisions in more traditional way and bring in standardization or synchronization. Following are few benefits of Digital Twin (DT):

  1. 1. Faster prototyping and product launch (reduce time to market)
  2. 2. Predicting Problems/System Planning
  3. 3. Cost-reduction (reduce development and maintenance cost)
  4. 4. Optimization and Improved Maintenance (optimize operations)
  5. 5. Waste Reduction
  6. 6. Accessibility (remote monitoring and control)
  7. 7. Safer than the Physical Twin (reduce risk of accidents & hazardous failures)
  8. 8. Customer Experience, Documentation and Communication (increase user engagement)
  9. 9. Training

Tasks Performed by Digital Twin

Reduce or eliminate warranty claims: Digital Twin substantially reduce or eliminate warranty claims on the system by minimizing or eliminating the untimely failure of the system. This saves tremendous cost for the organizations.

Predictive maintenance: Digital Twin collects real-time data which can be used as an input to a predesigned condition monitoring system. This gives an early indication of any possible future anomalies. Hence, it is possible to accurately predict the failures, early fault detection, time to failure prediction, we can take timely action to prevent the system downtime, with accurate and just in time maintenance called predictive maintenance. Predictive maintenance or condition based maintenance is performing the maintenance when warranted or based on the actual condition of the system with the degraded state of the components/system, hence prevents unexpected failures, saves lot of time, money, resources and ensures optimum use of the spares or components.

Remaining useful life estimation (RUL): Digital Twin helps in predicting the RUL by analyzing the time series data of sensors. The accurate estimation of remaining useful life (RUL) is critical to the prognostics and health management (PHM) of the system and proactive asset management, this will help reduce the downtime, plan the future production processes, plan the maintenance, spares or inventories, optimum use of the product for its life, amongst many advantages.

Prevent downtime & Avoid catastrophic failures in the field: Real-time data analysis, early detection of anomalies, fault diagnosis (signaling excessive loads/bad operating ranges) and subsequent predictive maintenance will substantially reduce the downtime of a system or any sudden failure in the field. In other words, Digital Twin can be used for condition monitoring and anomaly detection (simulate the health conditions of physical twin): At-a-glance, the information is available to the users via dashboards (mobile/tablet + desktop/browser platforms). Preventing catastrophic failures will help organizations in saving money and ensuring quality, branding, serviceability & reputation (increased safety & reliability of the physical twin).

Product / Process optimization: Digital twin can support production planning and control to optimize the production processes and workflows. Digital Twin offers many benefits to the organizations for improvement in production and logistics processes leading to cost savings and higher flexibility. (Predict the performance & optimize the performance of the physical twin)

Enhanced customer experience, service & branding: Reducing downtime and catastrophic failures of the system in the field result in huge savings; also real time data and analytics will significantly enhance the customer experience and the organization's reputation.

Simulations for deeper insights and what-if studies: Data collected by a digital twin can also be used to conduct any multi-physics simulations for deeper insights and what-if studies, so very helpful in design, analysis and verification/validation of new or existing product/process; Digital Twin could also be used for visualization and in dealing with complex or remote assets.

Real-time data and analytics for future product / process innovations: Real-time operational data of any system/product will be different from the data collected in an experiment. Digital Twin collects real-time data and analyses the data for any inferences or insights. This understanding will greatly help the designers for future developments in the product or process.

Simulations for training purposes: Digital twin can support production planning and control to optimize the production processes and workflows. Digital Twin offers many benefits to the organizations for improvement in production and logistics processes leading to cost savings and higher flexibility. (Predict the performance & optimize the performance of the physical twin)

Product / Process optimization: Data collected from multi-physics simulations can in turn be used to train the Digital Twin.


Digital Twin- Creation
  1. Machine Learning models
    1. Physics informed
    2. Trained Using
      1. Simulation – eg: CFD, FEA, MBD, NVH, Electromagnetics, Multiphysics
      2. Data from measurements
  2. Continuous updating
    1. Real-time data from IoT / sensors


Digital Twin- Deployment
  1. Digital twin can be burned into the hardware
    1. - Use of edge computing for fast evaluation
  2. Can be integrated with IoT sensors and Cloud
    1. - Assimilate sensor data
    2. - Generate real time predictions
    3. - Send to cloud for further processing
  3. Digital twins can be periodically updated
    1. - To include new simulation / experimental data
    2. - Extend range of operating conditions

Digital Twin for Engineers

  1. 1. Generate High fidelity CFD / FEM simulations for a component - These become the training data
  2. 2. Train deep neural network / machine learning model - Framework for embedded model
  3. 3. Embed machine learning model in a digital twin
  4. 4. Integrate data from sensors via IoT - Update digital twin
  5. 5. Repeat for the Life of the Product

Application areas of Digital Twin


The main applications of Digital Twin in different sectors are design, plan, monitor, analyze, optimization, maintenance, safety, decision making, remote access, improve physical prototypes and training, among others.

Functions

SEE

At this stage, sensors and Internet of Things (IoT) devices collect various data from physical product to visualize the situation.

THINK

At this stage, the intelligent software (AI/ML) analyzes the collected data and, if there is a problem, suggests several possible solutions to address the problem.

DO

At this stage, the smart algorithms & control systems choose the most appropriate solution and implement them automatically on the physical product.



Industries & Its Aplication

Aerospace
  1. -This is where it all started
  2. -NASA’s Apollo program
  3. -Landing gear
Automotive
  1. -DT for every car, truck or vehicle
  2. -Prototype DT for component systems (like braking system)
Energy
  1. -Modeling the Power plant performance – status


Manufacturing
  1. -Grieves (2002): Virtual Factory Replication Concept
  2. -Manufacturing process optimization / 3D printing
  3. --PLM
Buildings
  1. -Thermal Model for minimizing energy usage
  2. --Ventilation, Plumbing, Wiring, Lift, Security, etc.
Healthcare
  1. -Remote surgery / Robotic surgery
  2. -Full Human Body / Computational Man
  3. --Personalized medicine

Ship Design
  1. - Process Optimization
Entire Cities
  1. - Singapore

VISION - “No Engineered Product shall fail unexpectedly or catastrophically while in service”

How to qualify use cases for predictive maintenance using Digital Twin?

Not all use cases or business problems can be effectively solved by predictive maintenance using a digital twin. Here are important qualifying criteria that needs to be considered during use case qualification:[courtesy:Infoq]

  1. 1. The problem must be predictive in nature, meaning there should be a target or an outcome to predict.
  2. 2. The problem should have a record of the operational history of the equipment that contains both good and bad outcomes.
  3. 3. The recorded history should be relevant and be sufficient quality to support the use case.
  4. 4. Finally, the business should have domain experts who have a clear understanding of the problem.

Physics Informed Neural Networks (PINN)


The Physics Informed Neural Network: A Robust and Accurate basis for Surrogate Models in Engineering and Sciences

Traditional Data Driven Reduced Order Models

Data driven surrogate models or proxy models are often required for various purpose in engineering and science. Typical uses include optimization, inverse problems, parameter estimation, sensitivity analysis, uncertainty quantification, where full-fledged simulations (FEM, FVM/CFD, MBD, …) are too resource and time intensive to be practical and experiments are also too time consuming and expensive. Such surrogate models are obtained by dimensionality reduction techniques such as PCA/POD/DMD or other machine learning models such as Neural Networks. The deep neural network has gained prominence in the last decade. However, such data driven techniques have some key limitations typically relating to dependence on large volumes of training data. It is not straightforward to quantify the performance of such models when they are evaluated outside the scope of the training data or in regimes where training data does not exist or is impossible to obtain.

Figure-1

The Physics Informed Neural Network (PINN)

The physics informed neural network (PINN) has been recently developed to overcome the limitation of traditional data driven models. Figure 2 illustrates this concept, which was developed by Raissi et. al. [1,2] at Brown University. This is part of a general effort to augment the traditional neural network with domain knowledge. The PINN is strongly recommended over the traditional neural network because of its robustness induced by incorporating physics-based domain knowledge into the neural network. The PINN is also more accurate, in general. What we are doing is modifying the traditional neural network to obey conservation laws. So, the neural network not only “Learns” from the data, but also has “knowledge” of the physics.


Figure-2

Advantages of PINN

  1. 1) Explainability - Results can be better understood
  2. 2) Better confidence in results - Less of a “Black Box”
  3. 3) More robust when evaluated outside its “training”
  4. 4) Works with “small” data
  5. 5) Works with “No” data !!! - Can be viewed as a “meshless” method for solving N-S equations

Conclusion

It can be shown that proxy or surrogate models based on the PINN are superior to traditional models based only on data. The incorporation of prior domain knowledge augments the data driven neural network with increased robustness and accuracy, especially, when it is operated outside the range of the training data. Such situations can and do arise in practice especially in engineering where it may be very expensive, time consuming and sometime impossible to collect sufficient data covering all conceivable situations in the field. The physics informed neural network (PINN) represents the next generation of machine learning technology and is therefore strongly recommended over the traditional purely data driven approach.


References

  1. [1] Raissi, M., Perdikaris, P., & Karniadakis, G. E. (2017). Physics informed deep learning (part i): Data-driven solutions of nonlinear partial differential equations. arXiv preprint arXiv:1711.10561.
  2. [2] Raissi, M., Perdikaris, P., & Karniadakis, G. E. (2019). Physics-informed neural networks: A deep learning framework for solving forward and inverse problems involving nonlinear partial differential equations. Journal of Computational Physics, 378, 686-707.
  3. [3] Beucler, T., Pritchard, M., Rasp, S., Gentine, P., Ott, J., & Baldi, P. (2019). Enforcing analytic constraints in neural-networks emulating physical systems. arXiv preprint arXiv:1909.00912.
  4. [4] Von Rueden, L., Mayer, S., Garcke, J., Bauckhage, C., & Schuecker, J. (2019). Informed machine learning–towards a taxonomy of explicit integration of knowledge into machine learning. Learning, 18, 19-20.
  1. https://www.gartner.com/doc/3873175
  2. https://www.marketsandmarkets.com/Market-Reports/digital-twin-market-225269522.html
  3. https://www.gartner.com/en/newsroom/press-releases/2019-02-20-gartner-survey-reveals-digital-twins-are-entering-mai

Case study of PINN


Case Study of Hydraulic Circuit

  1. 1. Based on open (published) literature and openly available data set.
  2. 2. Dataset freely available at UC Irvine repository: - https://archive.ics.uci.edu/ml/datasets/Condition+monitoring+of+hydraulic+systems
  3. 3. Reference: Helwig (2015)
  4. 4. Helwig, N., Pignanelli, E., & Schütze, A. (2015) Condition monitoring of a complex hydraulic system using multivariate statistics. In 2015 IEEE International Instrumentation and Measurement Technology Conference (I2MTC) Proceedings (pp. 210-215). IEEE.
  5. 5. Google scholar indicates 110 citations for this publication (as of 16 July 2021)
  6. 6. Courtesy: ACRi -- Analytic & Computational Research, Inc.

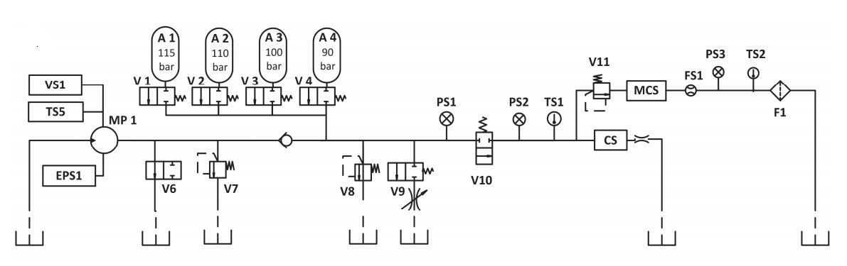
Primary Working Circuit

Figure-3
  1. • MP1 is main pump
  2. • PS1, PS2, PS3: pressure sensors
  3. • TS1, TS2, TS5: Temperature sensors
  4. • FS1 is flow rate sensor
  5. • VS1 is vibration sensor,
  6. • A1 – A4 are accumulators
  7. • EPS1: electrical power sensor
  8. • CS and MCS are particle contamination sensors

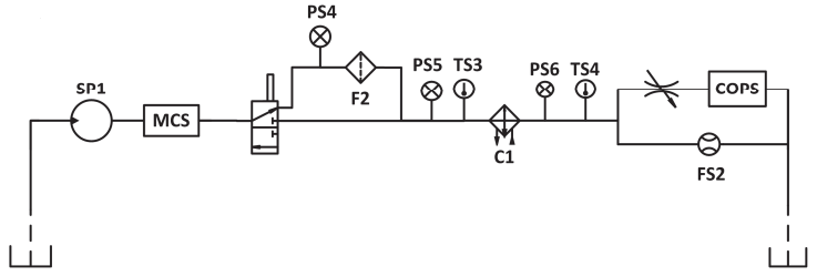
Cooling and Filtration Circuit

Figure-4
  1. • C1 is the oil cooler
  2. • PS4, PS5, PS6: pressure sensors
  3. • TS3, TS4: Temperature sensors
  4. • F2: Oil Filter
  5. • FS2 is a flow rate sensor
  6. • MCS, COPS: particle contamination
  7. • SP1 (line for controlled addition of contaminants to oil)

Data

  1. • Total of 17 sensors
  2. • Load cycle was 60 seconds
  3. • Total of 2205 experiments (loading cycles) - Includes normal and faulty operations
  4. • Data from sensors:
    1. Pressure sensors at 100 Hz (6000 samples / min)
    2. Flow rate at 10 Hz (600 samples / min)
    3. All others at 1 Hz (60 samples / min)
    4. Total: 43680 attributes for each loading cycle
  5. • All data normalized w.r.t respective min-max values
  6. • Training – Validation – Test split: 80% – 10% – 10%

Monitored Faults

  1. • Cooler performance
  2. • Valve condition (switching lag)
  3. • Internal pump leakage
  4. • Hydraulic accumulator performance
  5. • Again, each data column has been normalized between 0 and 1 using its min-max values
  6. • Since all these are continuous variables, each fault condition has been treated as a regression problem
  7. • The fifth condition called stable flag indicates whether the system has reached steady state at each load cycle. It is a classification output.

“Learning” the Sensor Inputs

  1. • Layer-wise unsupervised pre-training used - via Convolutional Autoencoders
  2. • Minimize the mean squared error
    1. – for each individual sensor
    2. – Representational learning
  3. • High accuracy
  4. • Training convergence plot (sample)
Full Network
Figure-5
Figure-6



Accuracy on Test Data: Cooler Condition

Figure-7

Accuracy on Test Data: Valve Condition

Figure-8

Reconstruction Accuracy: PS1

Figure-9
  1. • Representation learning of the sensor readings – PS1
  2. • Reconstruction of the PS1 (pressure) data

Reconstruction Accuracy: FS1

Figure-10
  1. • Representation learning of the sensor readings – FS1
  2. • Reconstruction of the FS1 (Flow Rate) data

Reconstruction Accuracy: TS1

Figure-11
  1. • Representation learning of the sensor readings – TS1
  2. • Reconstruction of the TS1 (Temperature) data

Summary of Case Study

  1. • Ongoing study.
  2. • Preliminary results show high accuracy
    1. – Probably due to clean data (Laboratory Experiment)
  3. • Real life -> field data not so clean
  4. • Real life models have to be robust with respect to sensor inaccuracies, sensor malfunctions etc.
  5. • The plan is to repeat the study with data augmentation
    1. – measurement noise, sensor not working etc.
  6. • Deep neural networks can successfully model various conditions and anomalies of a hydraulic system